Собранный хладагент может быть повторно использован в той же системе, либо транспортирован для использования в других системах охлаждения или кондиционирования воздуха.
В хладагентах возможно присутствие следующих загрязнителей:
- Кислоты
- Влага
- Неконденсирующиеся газы
- Твёрдые вещества
Важно!
Даже незначительное содержание загрязнителей в холодильном контуре системы охлаждения или кондиционирования воздуха может привести к серьёзным поломкам и сбоям.
Загрязненные хладагенты (в том числе собранные из систем со сгоревшим компрессором) можно использовать и в дальнейшем, но при наличии маслоотделителя и секции фильтров в станции сбора хладагента. Комплекс очистных устройств может быть подсоединен к обслуживаемой системе напрямую. Также возможно подключение к баллону, содержащему собранный из системы хладагент.
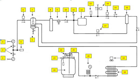
Основные компоненты системы очистки хладагента:
- Компрессор
- Терморегулирующий вентиль (TEV) или регулятор постоянного давления (CPR)
- Установка всасывания, накопитель и/или маслоотделитель с вентилем для слива масла.
- Секция фильтров очистки (один или несколько)
- Устройство для удаления неконденсирующихся газов (автоматическое или ручное)
- Конденсатор
- Баллон для хранения хладагента
Очистка на месте сбора, выполняемая при помощи большинства очистительных установок (например, MAC), позволяет снизить концентрацию загрязняющих веществ путем сепарации и фильтрации масла. Как правило, очистка выполняется во время сбора газообразного или жидкого хладагента при помощи оборудования, позволяющего одновременно выполнять как сбор, так и очистку от загрязнителей.
Одно- и многопроходные системы очистки
Для очистки хладагента используется либо однопроходной, либо многопроходной метод. Однопроходной метод очистки означает однократное пропускание хладагента через секцию фильтров и/или применение процедуры дистилляции.
При этом перед подачей в баллон для хранения хладагент проходит только один цикл очистки.
При использовании многопроходного метода очистки хладагент проходит через секцию фильтров несколько раз и после определенного времени или числа циклов направляется в баллон для хранения.
Система однопроходной очистки

Система многопроходной очистки

Основные компоненты станции очистки хладагента

| Пример системы (установки) очистки | |||||||
|---|---|---|---|---|---|---|---|
| 1 | Манометр высокого давления | 77 | Подогревающий резервуар на всасывании | 13 | Датчик высокого давления | 19 | Вентилятор конденсатора |
| 22 | Регулирующий клапан (высокое/низкое давление) | 8 | Фильтр-осушитель | 14 | Электрический клапан | 20 | Удаление неконденсируемого газа |
| 3 | Манометр низкого давления | 9 | Дроссель-вентиль | 15 | Запорный клапан | 21 | Клапан для слива жидкости |
| 4 | Датчик низкого давления | 10 | Запорный кран | 16 | Маслоотделитель | 22 | Клапан для отвода воздуха |
| 5 | Вентиль для слива масла | 11 | Трубка подачи масла | 17 | Электрический регулирующий клапан | 23 | ЗОП |
| 6 | Электрический регулирующий клапан на входе | 12 | Компрессор | 18 | Конденсатор хладагента | 24 | Баллон для сбора и хранения хладагента |
Основные виды станций сбора и очистки хладагента от загрязнений
![]() |
|
| Полуавтоматическая установка сбора, очистки, удаления и зарядки хладагента | |
![]() |
![]() |
| Ручная (автоматическая) система сбора, очистки и удаления | Дополнительное устройство очистки для станции сбора хладагента |
Переработка использованных хладагентов
Переработка хладагента означает модификацию использующегося хладагента для соответствия новым техническим условиям эксплуатации. Станция переработки должна строго отвечать требованиям стандарта ARI 700-93.
Как работает станция переработки хладагента:
- Хладагент поступает в систему в виде пара или жидкости;
- Затем хладагент поступает в крупный сепаратор, где скорость потока резко уменьшается. Это обеспечивает выделение пара при высокой температуре. На этом этапе загрязняющие вещества выпадают в осадок на дно сепаратора и впоследствии удаляются во время процедуры удаления масла;
- Дистиллированный пар подается в конденсатор с воздушным охлаждением и переходит в жидкую фазу;
- Жидкость подается в резервуар для хранения. В этом резервуаре блок испарителя понижает температуру жидкости с 56 °C до температуры переохлаждения 3-4 °C;
- Сменный фильтр-осушитель в контуре удаляет влагу, а также служит очередным этапом для удаления микроскопических частиц загрязняющих веществ.
Охлаждение хладагента также упрощает процедуру его перемещения в баллоны, находящиеся при температуре окружающего воздуха.
Контрольные вопросы:
- Каково назначение станций очистки хладагента?
- Перечислите основные загрязняющие элементы холодильного контура?
- Назовите основные компоненты станций очистки хладагента?
- Назовите методы очистки хладагента и их принципиальное отличие?
- Зачем нужны станции переработки хладагента и в чём их отличие от станций очистки?
- Как работает станция переработки хладагента?


